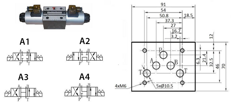
Electro CETOP5 (NG10) - 2 bobines
Electro CETOP5 (NG10) - 2 bobines
Livré avec connecteur électrique
Set 4 vis (M5X45) inclus
Pression retour max : T : 160 bar
Corps en fonte : IP65
* Données sous reserve de modification
Electro CETOP5 (NG10) - 2 bobines
Livré avec connecteur électrique
Set 4 vis (M5X45) inclus
Pression retour max : T : 160 bar
Corps en fonte : IP65