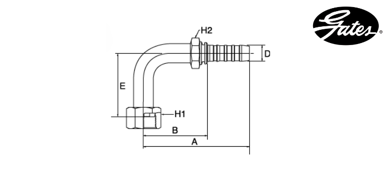
Embout femelle ORFS à 90° (long) GATES GLOBAL SPIRAL

Embout femelle ORFS à 90° (long) GATES GLOBAL SPIRAL


Embout femelle ORFS à 90° (long) GATES GLOBAL SPIRAL

Matière :  Acier
Montage Sans dénudage avec jupe type GS1F
Type : GATES GLOBAL SPIRAL
Pour tuyau Nappé

Télécharger la fiche produit au format PDF
* Données sous reserve de modification