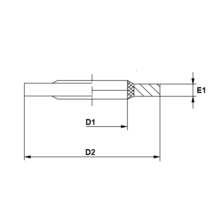
Bague BS acier
Bague BS pour étanchéité de raccords

Matière : Acier
Température de service : -30°C à +110°C
Avec languette de centrage nitrile
* Données sous reserve de modification
Bague BS pour étanchéité de raccords
Matière : Acier
Température de service : -30°C à +110°C
Avec languette de centrage nitrile