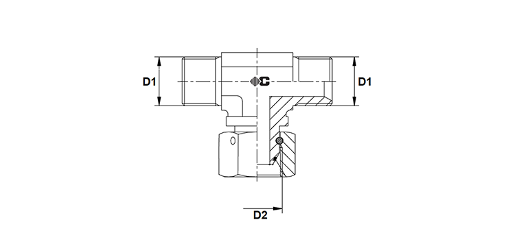
Te orientable BSP à jonc
Te orientable BSP à jonc
Ecrou à jonc
MATIERE : ACIER
NORME : BSPP CONE 60°
* Données sous reserve de modification
Te orientable BSP à jonc
Ecrou à jonc
MATIERE : ACIER
NORME : BSPP CONE 60°