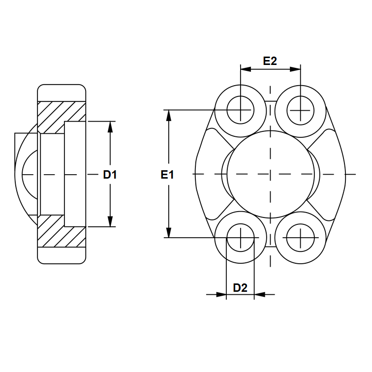
Bride monobloc SAE 3000/6000 PSI
POUR COLLET OU EMBOUT 3000/6000 PSI

Matière : Acier
Montage : Avec vis CHC métriques ou UNF
* Données sous reserve de modification
POUR COLLET OU EMBOUT 3000/6000 PSI
Matière : Acier
Montage : Avec vis CHC métriques ou UNF