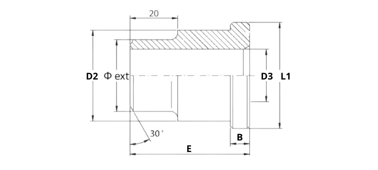
Collet SAE sans joint à souder pour tube métrique
Collet SAE sans joint à souder pour tube métrique

MATIERE : ACIER
TYPE : 3000/6000 PSI
* Données sous reserve de modification
Collet SAE sans joint à souder pour tube métrique
MATIERE : ACIER
TYPE : 3000/6000 PSI